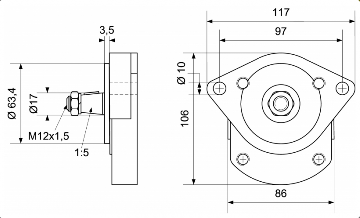
Beschreibung
Baugröße 2, linksdrehend
mit Flanschanschluss (LK)
passend für die Modelle:
R51-R53, 351M, R56-R86, 7431-421, R88-R89, 421M, 7614-91, 7377-460S, 7601-92, 461, 7611-94, 466S-480S, 96, 7398-490S, 7651-98, 7635-496, 7365-50S, 7655-498, 7375-60S, 556S, 656S, 7376-70S, 7411-7431, 7386-80S, 7631-7421, 7396-7395, 7411-301, 7431-421




